
Type designation

Technical data
| Type | Rated transformation ration(A) | Accuracy Classes combination | Accuracy class and rated output COSΦ=0.8 | 1s thermal current (kA) | Rated dynamic current(kA) | |||
| 0.2S | 0.2 | 0.5 | 10P15 | |||||
| LA-10Q LAZB-10Q | 5/5 | 0.2S/10P10 0.2/10P10 0.5/10P10 1/10P10 10P15/10P15 | 10 | 10 | 15 | 15 | 0.5 | 0.8 |
| 10/5 | 0.9 | 1.6 | ||||||
| 15/5 | 1.4 | 2.4 | ||||||
| 20/5 | 1.8 | 3.2 | ||||||
| 30/5 | 2.7 | 4.8 | ||||||
| 40/5 | 3.6 | 6.4 | ||||||
| 50/5 | 4.5 | 8 | ||||||
| 75/5 | 6.8 | 12 | ||||||
| 100/5 | 9 | 16 | ||||||
| 150/5 | 13.5 | 24 | ||||||
| 200/5 | 18 | 26 | ||||||
| 300/5 | 22.5 | 40.5 | ||||||
| 400/5 | 30 | 54 | ||||||
| Note: Any special requirement can be negotiated with us, thermal and heat both stable. We can customized your requirement. | ||||||||
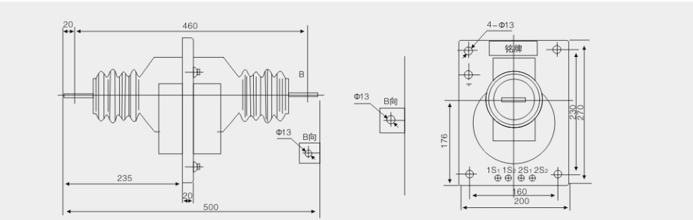
Drawing and dimention

Contact: Lankecms
Phone: 13933336666
E-mail: Lankecms@163.com
Add: Guangdong Province, China TianHe District, GuangZhou Num 899