
Type designation

Technical data
| Rated primary current(A) | Rated output(VA) | Rated short time current(kA/1s) | Rated dynamic current(kA) | ||||
| 0.2S | 0.2 | 0.5 | 10P10 | 10P15 | |||
| 5-100 | 10 | 10 | 10 | 15 | 15 | 90l1n | 200I1n |
| 150 | 13.5 | 34 | |||||
| 200 | 18 | 45 | |||||
| 300 | 27 | 67.5 | |||||
| 400 | 36 | 90 | |||||
| 500 | 45 | 112.5 | |||||
| 600 | |||||||
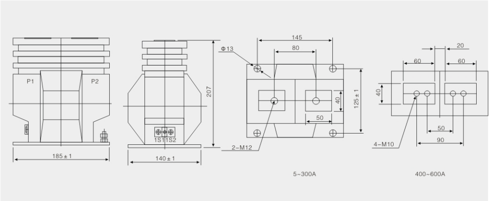
Drawing and dimention

Contact: Lankecms
Phone: 13933336666
E-mail: Lankecms@163.com
Add: Guangdong Province, China TianHe District, GuangZhou Num 899