
Type designation

Technical data
| Rated primary current(A) | Accuracy class combination | Rated output(VA) | Short-time thermal current(kA/1s) | Rated dynamic current(kA) | ||||
| 0.2S | 0.2 | 0.5 | 10P10 | 10P15 | ||||
| 5~100 | 0.2S/0.2S 0.2/0.2 0.2S/10P10 0.2/10P10 0.5/10P10 0.2/10P15 0.5/10P15 | 10 | 10 | 10 | 15 | 15 | 100l1n | 2501n |
| 150 | 13.5 | 34 | ||||||
| 200 | 18 | 45 | ||||||
| 300 | 27 | 67.5 | ||||||
| 400 | 30 | 75 | ||||||
| 500 | 45 | 100 | ||||||
| 600 | ||||||||
| 750-1000 | 63 | |||||||
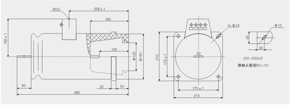
Drawing and dimention

Contact: Lankecms
Phone: 13933336666
E-mail: Lankecms@163.com
Add: Guangdong Province, China TianHe District, GuangZhou Num 899