
Type designation

Technical data
1.rated voltage: 3,6,10 kv is optional
2.accurate rating: 0.2 and 0.2 S
3.rated voltage ratio: 10000/100, 6000/100, 3000/100
Rated primary current: 5--800 A
Rated secondary current: 5 A or 1 A
4.rated capacity: current0.2s-class 10 va; 20 the va voltage part 0.2 on the Richter scale
5.rated short-time current ratio (lth): 75 i1n/s
6.rated dynamic thermal stability: 2.5 lth
| Rated voltage ratio(V) | Accuracy class and rated output(VA) | Max output(VA) | Rated insulation level(kV) |
| class 0.2 | |||
| 10000/100 | 20 | 200 | 12/42/75 |
| 6000/100 | |||
| 7.2/32/60 | |||
| 3000/100 | 3.6/25/40 |
| Rated primary current ( A ) | Accuracy class combination | Rated output(VA) | Short-time thermal current (kA/1S) | Rated dynamic current(kA) |
| 0.2S | ||||
| 5-100 | 0.2S 0.2S/0.2S | 10 10/10 | 75l1n | 250l1n |
| 150 | ||||
| 200 | ||||
| 300 | ||||
| 400 | ||||
| 500 | ||||
| 600~80 |
Notice details: In using, the secondary winding cannot be short-circuited or operating over-load.
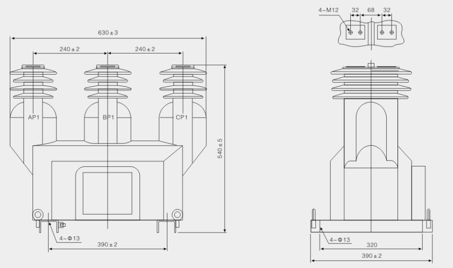
Drawing and dimention

Principle diagram

Contact: Lankecms
Phone: 13933336666
E-mail: Lankecms@163.com
Add: Guangdong Province, China TianHe District, GuangZhou Num 899