IEC Outdoor Combined Transformer JLSZV3-10W

JLSZV3-10W+.jpg

Type designation 

image.png

Technical data 

1.rated voltage: 3,6,10 kv is optional

2.accurate rating: 0.2 and 0.2 S

3.rated voltage ratio: 10000/100, 6000/100, 3000/100

Rated primary current: 5--800 A

Rated secondary current: 5 A or 1 A

4.rated capacity: current0.2s-class 10 va; 20 the va voltage part 0.2 on the Richter scale

5.rated short-time current ratio (lth): 75 i1n/s

6.rated dynamic thermal stability: 2.5 lth

Rated voltage ratio(V)Accuracy class and rated output(VA)Max output(VA)Rated insulation level(kV)
class 0.2
10000/1002020012/42/75
6000/100
7.2/32/60
3000/1003.6/25/40
Rated primary
current ( A )
Accuracy class combinationRated output(VA)Short-time thermal current (kA/1S)Rated dynamic current(kA)
0.2S
5-1000.2S

0.2S/0.2S
10

10/10
75l1n250l1n
150
200
300
400
500
600
750
800

Notice details: In using, the secondary winding cannot be short-circuited or operating over-load.

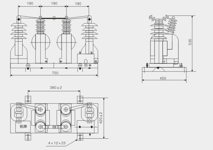
Drawing and dimention 

image.png

Principle diagram

image.png

INQUIRY

Scan the qr codeclose
the qr code