
Type designation

Technical data
| Type | Rated voltage ratio(V) | Accuracy class and rated output(VA) | Discharge capacity (Mvar) | Rated insulation level(kV) | ||
| 0.5 | 1 | 6P | ||||
| FDGE2/6.6/√3(1.7-4)1N | 6.6/√3/0.1 6.6/√3/0.1/√3/0.1/3 | 50 | 100 | 100 | 1.7~4 | 7.2/32/60 |
| FDGE2/7.2/√3(1.7-4)1N | 7.2/√3/0.1 7.2/√3/0.1/√3/0.1/3 | |||||
| FDGE2/11/√3(1.7-4)1N | 11/√3/0.1 11/√3/0.1/√3/0.1/3 | 12/42/75 | ||||
| FDGE2/12/√3(1.7-4)1N | 12/√3/0.1 12/√3/0.1/√3/0.1/3 | |||||
| FDGE2/12.5/√3(1.7-4)1N | 12.5/√3/0.1 12.5/√3/0.1/√3/0.1/3 | |||||
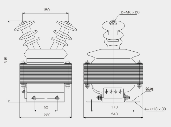
Drawing and dimention

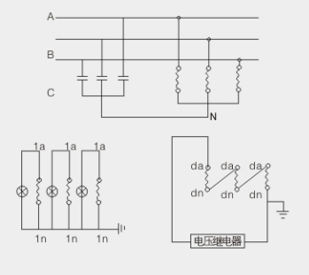
Principle diagram

Contact: Lankecms
Phone: 13933336666
E-mail: Lankecms@163.com
Add: Guangdong Province, China TianHe District, GuangZhou Num 899