
Type designation

Technical data
| Type | Rated voltage ratio(V) | Accuracy class combination | Rated output(VA) | Max output(VA) | Rated insulation level(kV) |
| JDZXW-10 | 10000/√3/100/√3/100/3 | 0.2/6P | 20/100 | 500 | 12/42/75 |
| 0.5/6P | 30/100 | ||||
| JDZXFW-10 | 10000/√3/100/√3/100/ √3/100/3 | 0.2/0.2/6P | 15/15/50 | 2x250 | |
| 0.2/0.5/6P | 15/15/50 | ||||
| 0.5/0.5/6P | 20/20/50 |
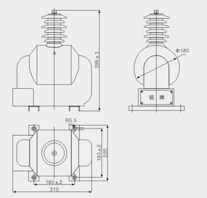
Drawing and dimention

Principle diagram

Contact: Lankecms
Phone: 13933336666
E-mail: Lankecms@163.com
Add: Guangdong Province, China TianHe District, GuangZhou Num 899