
Type designation

Technical data
1. Because the cable protects the pramary main insulation, so the insulation characteristics of secondary winding are only examined. The secondary winding can be able to withstand the power frequency test voltage of 3kV to ground.
2. The sensitivity of the product shall meet the requirements listed in form.
| Type | Resistance of the connection line(Ω) | Startup current of the relay(A) | Sensitivity(A) | Scale of relay(A) | Rated current ratio(A) |
| LJ-φ75 | 1 | 0.1 | 6~10 | 0.1~0.2 | 30/1 |

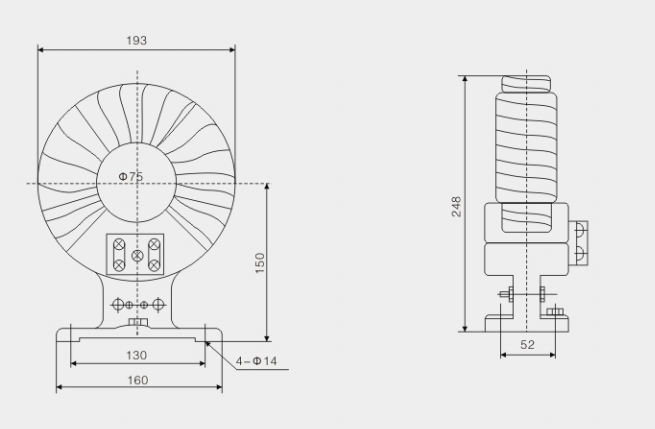
Drawing and dimention

Contact: Lankecms
Phone: 13933336666
E-mail: Lankecms@163.com
Add: Guangdong Province, China TianHe District, GuangZhou Num 899