
Type designation

Technical data
| Type | Rated voltage ratio(V) | Accuracy class combination | Rated output(VA) | Max output(VA) | Rated insulation level(kV) |
| JDZ11-20 | 20000/100 | 0.2 | 20 | 500 | 24/65/125 |
| 0.5 | 50 | ||||
| JDZF11-20 | 20000/100/100 | 0.2/0.2 | 20/20 | 2x250 | |
| 0.2/0.5 | 20/30 | ||||
| 0.5/0.5 | 30/30 | ||||
| JDZX11-20G | 20000/√3/100 /√3/100/3 | 0.2/6P | 20/100 | 500 | |
| 0.5/6P | 50/100 | ||||
| JDZXF11-20G | 20000/√3/100 /√3/100/√3/100/3 | 0.2/0.2/6P | 20/20/100 | 2x250 | |
| 0.2/0.5/6P | 20/30/100 | ||||
| 0.5/0.5/6P | 30/30/100 |
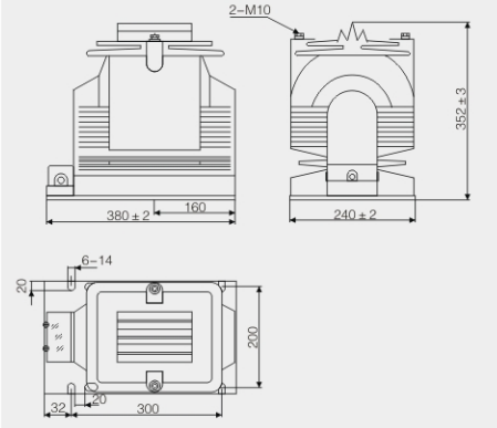
Drawing and dimention

Principle diagram

Contact: Lankecms
Phone: 13933336666
E-mail: Lankecms@163.com
Add: Guangdong Province, China TianHe District, GuangZhou Num 899