
Type designation

Technical data
| Rated primary current(A) | Accuracy classes combination | Rated secondary output(VA) | 1s short-time therma current (kA) | Rated dynamic current (kA) | ||
| 0.2(S) | 0.5 | 5P20 | ||||
| 10-100 | 0.2(S)/5P20/5P20 0.5/5P20/5P20 | 15 | 15 | 15 | 200lin | 500lin |
| 150-200 | 37.8 | 94.5 | ||||
| 300-400 | 54 | 110 | ||||
| 500-600 | 30 | 20 | 68.4 | 136 | ||
| 800-1000 | 95.5 | 190 | ||||
| 1200-2000 | 140 | 200 | ||||
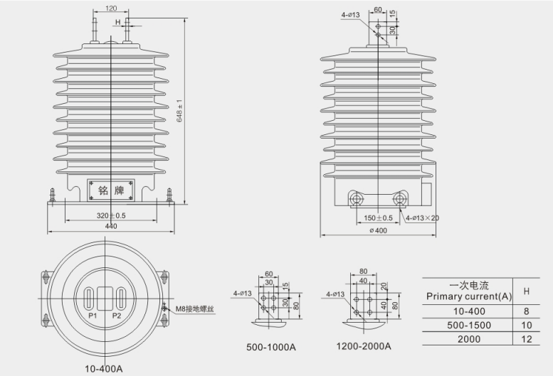
Drawing and dimention

Contact: Lankecms
Phone: 13933336666
E-mail: Lankecms@163.com
Add: Guangdong Province, China TianHe District, GuangZhou Num 899