
Type designation

Technical data
| Type | Rated voltage ratio(V) | Accuracy class combination | Rated output(VA) | Max output(VA) | Rated insulation level(kV) |
| JDZX9-35 | 35000/√3/100 /√3/100/3 | 0.2/6P | 30/100 | 600 | 40.5/95/200 |
| 0.5/6P | 50/100 | ||||
| JDZXF9-35 | 35000/√3/100 /√3/100/√3/100/3 | 0.2/0.2/6P | 20/20/100 | 2x300 | |
| 0.2/0.5/6P | 20/30/100 | ||||
| 0.5/0.5/6P | 30/30/100 |
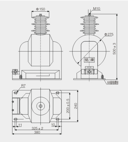
Drawing and dimention

Principle diagram

Contact: Lankecms
Phone: 13933336666
E-mail: Lankecms@163.com
Add: Guangdong Province, China TianHe District, GuangZhou Num 899