
Technical data
| Type | Rated voltage ratio(V) | Busbar | Accuracy class | Rated burden(VA) | Number of primary turns | Overall dimensions(mm) | |
| Cross-sectional dimensions(mm) | Number | ||||||
| SDH-02 BH-0.66/30 | 15/5~20/5 | 0.2、0.5 | 5 | 10 | figure4 | ||
| 30/5~400 | 5 | ||||||
| 50/5 | 3 | ||||||
| 75/5 | 2 | ||||||
| 100/5 | 2 | ||||||
| 150/5~200/5 | 30x5 | 1~2 | 1 | ||||
| SDH-01 BH-0.66/40 | 300/5~400/5 | 40x5 | 1~2 | 0.2、0.5 | 5 | 1 | |
| SDH-1 BH-0.66/50 | 400/5~500/5 | 50x5 | 1~3 | 0.2、0.5 | 5 | 1 | |
| SDH-2 BH-0.66/60 | 500/5~800/5 | 60x10 | 1~2 | 0.2、0.5 | 10 | 1 | |
| SDH-3 BH-0.66/80 | 800/5~1000/5 | 20x10 | 1 | 0.2、0.5 | 10 | 1 | figure1 |
| SDH-4 BH-0.66/100 | 1000/5~1500/5 | 100x10 | 1~3 | 0.2、0.5 | 15 | 1 | figure4 |
| SDH-5 BH-0.66/120 | 2000/5~5000/5 | 120x10 | 1~5 | 0.2、0.5 | 20 | 1 | figure3 |
| SDH-0.66B | 5/5~100/5 | 0.2、0.5 | 5 | 1 | figure2 | ||
| BH-0.66B | |||||||
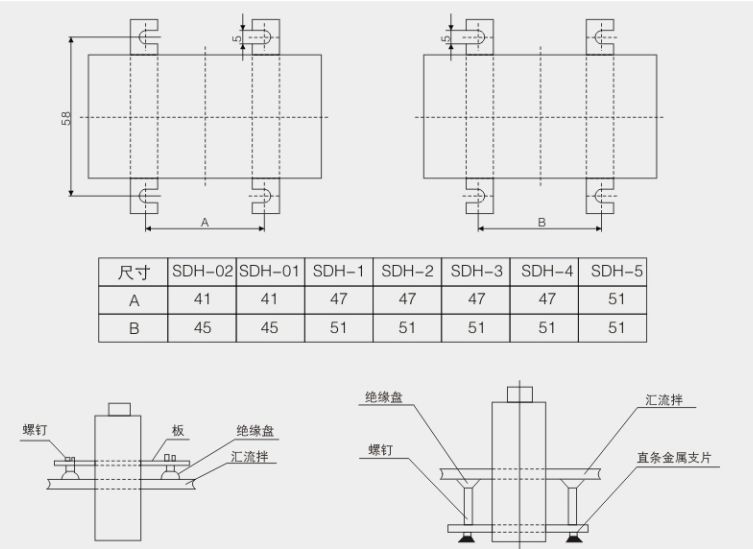
Drawing and dimention
| Type | A | A1 | A2 | A3 | B | B1 | B2 | B3 | B4 | D |
| SDH-02 | 75 | 32 | 22 | 12 | 98 | 12 | / | 22 | 32 | / |
| SDH-01 | 75 | 42 | / | 11 | 98 | 11 | / | / | 42 | 31 |
| SDH-1 | 82 | 51.5 | 42 | 11 | 98 | 16.5 | 18.5 | / | 42 | 37 |
| SDH-2 | 102 | 62 | 52 | 11 | 126 | 21 | 23 | / | 51 | 46 |
| SDH-4 | 170 | 105 | / | 60.5 | 137 | 30.5 | / | 34.5 | 40.5 | 60 |


Contact: Lankecms
Phone: 13933336666
E-mail: Lankecms@163.com
Add: Guangdong Province, China TianHe District, GuangZhou Num 899